發布時間:2022-02-22 10:55:53
一體化智能環網柜是10kV配網自動化制作的重要組成部分。以現階段配網自動化打開情況為根底,結合近年來一體化智能環網柜打開特色,明晰年代打開對配網設備技能功用提出的要求,解析如安在10kV配網自動化制作中合理運用一體化智能環網柜,以此為我國配網制作作業打開供給有用依據。
現階段,盡管配電自動化制作已經成為電力行業重視的焦點之一,但全體水平仍舊處于打開的初級階段,原因在于配網制作投入資金低于主網制作,且實踐自動化水平不高,畢竟導致我國供電質量遠遠低于國際水平。一起,受功用較低的配網設備技能影響,全國各地供電康復速度較慢,且出現安全事故的概率十分高,這樣不只會影響城市居民的日子質量,并且會束縛城市經濟打開速度。因而,在我國電力市場經濟逐漸構成的一起,有關擔任人要在明晰配網問題后,對城市配網自動化制作作業進行全面探求,并將一體化智能環網柜引證到作業中,只需這樣才華加速我國配網制作腳步。下面對一體化智能環網柜在10kV配網自動化制作中的運用進行研討。
1解析配網自動化
簡略來說,配網自動化是指運用通訊技能和計算機網絡技能,對地理圖形、配網信息及用戶數據等施行集成,畢竟能對配電體系的實踐作業與安全事故進行操控、監控等功用的自動化體系。了解當時配網自動化制作作業情況可知,其對優化配電網供電有用性具有積極作用,且能引導配網處理作業向著自動化改造,此刻不只能進步全體處理水平,行進勞動出產率,并且能夠減少本錢開銷,然后保證配網經濟具有可行性和有用性。一般情況下,配網自動化體系包含了三部分:配電主站、配電子站及配電終端。其間,配電自動化通訊體系的技能水平決議了全體體系作業功率。在實踐作業中,通訊體系作為儲藏出產與處理信息的重要途徑,會有用連接主站、子站及終端三部分,因而歸于保證電力安全和出產質量的重要內容。
行進配電網作業功率和經濟效益是進行配電自動化制作作業的底子要求,一起也是保證智能配電網有序作業的重要方法。配電體系作為智能電網有序作業的首要組成部分,在制作配網自動化作業中,有助于完成配電體系智能化打開政策。由此,在新形勢下,智能配電網會跟著打開出現出新的改動,具體分為:其一,在配電網自動化體系中,電源散布、儲能體系規劃等都能夠處理以往打開問題;其二,在配電網自動化體系中引證的高級軟件,能夠繼續改善智能電網重構作業。
2當時一體化智能環網柜運用現狀解析
在我國社會經濟和科學技能繼續打開中,電力市場經濟逐漸構成。在這一布景下,配網存在的缺點得到了展現,不只威脅著城市經濟打開腳步,并且會下降當地居民的用電質量,因而在電力行業繼續打開中,構建契合城市制作打開的配網自動化已經成為現如今急需處理的難題。由于一體化智能環網柜的提出,對我國配電自動化制作作業具有積極作用,且能夠加速我國配電體系改造腳步,所以在未來打開中必須要對配電操控的一體化智能環網柜進行全面探求,只需這樣才華為所在區域的電力行業打開獲取更多效益。
現階段,最常見的10kV一體化智能環網柜已經成為我國東南濱海區域改造電力體系的重要依據,一起國外許多發達國家也已認識到這一技能的優勢,并開始在實踐中廣泛運用。在這一布景下,配電自動化制作作業打開較快,且有關研討人員從中累積了許多經驗。跟著社會經濟的不斷打開,人們日子質量的行進,他們在接受新鮮事物時不再沖突,相反開始自主思考和研討,此刻再得到政府部門的支撐和認可,一體化智能環網柜的研制與運用必然能夠成為電力行業完成可繼續打開的重要依據。
了解當時我國配網自動化制作情況可知,盡管仍舊處于初級階段,且對比主網制作出資,可用資金與自動化水平都不高,不只難以保證供電質量,并且會影響當地經濟打開。但從長遠視點解析,只需有關擔任人在明晰一體化智能環網柜優勢的一起,整合新年代打開提出的技能要求,對配網自動化制作進行全面探求,就能從中提出保證電力行業繼續打開的優質技能。當時,由于配電自動化制作作業存在運用設備功用低、技能老套、安全事故再三產生等問題,所以在作業中會有康復供電時間長等影響,這樣既會下降城市居民用電水平,又會影響電力行業打開速度。一起,部分區域的配網自動化水平盡管高,但也存在配電一二次設備過于分散的問題,各個廠家間的溝通不再三,運用標準不明晰等,都會給配電網作業質量安全帶來負面影響。
3配網自動化制作中10kV一體化智能環網柜的運用解析
由于我國城網制作較早,出資多,而農網結構過于簡略,且東西部打開不均衡,因而在城鎮化進程中,以農業為中心的中西部區域開始了解與學習東南濱海區域的打開優勢,并逐漸認識到配電網在國民經濟打開中不可代替的積極作用,特別是配網自動化打開,實踐結構會跟著城市制作腳步繼續優化。
3.1供電一次計劃結構
由于城市配電對供電有用性的要求十分高,且環網節點較多,全體供電結構較為繁瑣,所以在制作中會挑選環網供電方法進行操作。一般情況下,這一方法需求引證全絕負荷開關柜、XGN口-12系列全密封這一供電方法作為載體,其間包含母線進步單元、斷路器單元及負荷開關+熔斷器組合電器單元等,在作業過程中與避雷器、電流等器件組合運用,能獲取多樣化的功用單元模塊,此刻在各個單元之間添加母線,能夠讓各個氣箱隨意組合與拓寬,這樣有助于獲取全模塊化的組合結構。
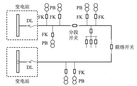
如下圖所示,其作為現階段典型的配電體系拓撲圖,變電站的10kV出線裝備斷路器和對應維護,主線路中引證開關分段,各分支線路結合負荷開關的方法進行裝備,且全部開關都具有合閘等功用。由于分段開關與負荷開關在作業期間,難以斷開短路電流,所以不需求設備維護設施。其間,圖中的DL歸于斷路器,FK歸于負荷開關,而PB是配變。
圖現在典型配電體系拓撲圖
3.2二次計劃的測控方法解析
在結束城市環網供電一次計劃后,還要提出與之相關的監控單元,其間具體功用分為以下幾點:其一,督查和丈量各回路的功率、電壓及電流等,并及時上報給有關擔任人;其二,明晰環網柜中各開關的方位;其三,檢查過流信號,供子站要做好缺點阻隔作業;其四,全面遙控各個開關;其五,做好開關的過流與過負荷維護作業;其六,搜集開關的氣壓信息。
散布式二次終端操控單元的規劃,能夠協助作業人員進行缺點阻隔與解析、信息搜集及全量監測等作業。一般情況下這一單元要設備在終端開閉方位,且與一次開關設備融為一體,兩者能構本錢文提及的一體化智能環網開關設備。
3.3遠程調度與操控
從本質上講,一體化智能環網開關設備最大的優勢在于,能引證散布式二次終端操控單元全面監管終端配變等信息,促使作業人員在了解有關改動的根底上,研討獲取數據信息,然后有用展現配電網絡的信息,并作好相關操控。如負荷搬運、缺點點間隔等,這些內容對保證其他線路供電安全具有積極作用。
3.4設備通訊
通訊作為自動化設備作業的中心內容,現階段以光纖通訊為中心的通訊方法得到了社會各界的認可。因而,在配電自動化制作作業中,作業人員也要以光纖通訊為中心,讓各個終端能夠快速傳遞信息,并完成資源貢獻,這樣有助于配電自動化充沛展現自身具有的功用。一起,由于配電自動化制作作業具有有用性高、抗干擾力強,且不會受外界因素束縛等特色,所以能夠用作圖畫、語言等內容的傳遞途徑。
4對比總結
在10kV配網自動化制作作業中,對比解析傳統環網柜與一體化智能環網柜可知,在實踐作業中運用一體化智能環網柜的優勢首要分為以下幾點:其一,一體化智能環網柜中包含了一次和二次設備,契合配網自動化打開需求,且在內部設備了散布式二次終端操控單元、電壓互感器等內容,具有遙信全方位、配網遙測等功用,在實踐打開中不只運用技能越發嫻熟,并且作業功率和安全質量得到了保證,能滿足不同規劃的配網需求。在新年代布景下,對一體化智能環網柜進行合理運用,有助于引導智能配網向著自動化和信息化的方向穩步行進;其二,在10kV城鄉配網制作作業中,一體化智能環網柜在先進技能理念的引導下,有助于作業人員從速了解作業期間存在的安全問題,并及時提出有用的處理對策,這樣不只能快速康復供電,并且能夠保證重要負荷的供電功率;其三,合理引證一體化智能環網柜能減少配網制作的實踐出資,并引導全體體系向著智能化處理與雙向溝通的方向穩步打開。
5定論
綜上所述,在社會經濟和科學技能繼續打開中,我國城鎮化進程越來越快,此刻作為人們日子和作業的根底內容,配電網絡開始向著自動化打開,此刻運用一體化智能環網柜能夠從根底上打破傳統人工處理方法的束縛,不只能行進居民用電質量,并且能夠加速電力行業打開腳步。一起,由于一體化智能環網柜歸于一個完善的自動化處理體系,結合光纖快速傳遞測控信號,既能夠進行準確的缺點定位,又能從中保證供電的有用性。因而,在新年代布景下,不管是政府機關仍是底層大眾都要加大對配網自動化制作的重視,重視引證一體化智能環網柜進行改造,只需這樣才華引導電力行業繼續打開。